水泥埋刮板輸送機
文章作者:奧創機械發布時間:2018/10/19 11:21:18瀏覽次數:
埋刮板輸送機
埋刮板輸送機系列產品廣泛適用于冶金、建材、電力、化工、水泥、港口、碼頭、煤炭、礦山、糧油、食品、飼料、等行業和部門。
埋刮板輸送機特點:
埋刮板輸送機常用于水平輸送顆粒和粉狀物料,亦能在150角范圍內作傾斜輸送。因此,在單點進出料基礎上,也可多點進料,多點出料,對輸送有毒、易爆、高溫和易飛揚的物料,改善工人操作條件和減少環境污染等方面有突出的特點。
埋刮板輸送機具有整機壽命高、運行平穩、結構尺寸小、輸送量大、能耗低、物料破損率低等特點。
埋刮板輸送機參數:
|
|||||||||||||||||||||||||||||||||||
|
|||||||||||||||||||||||||||||||||||
|
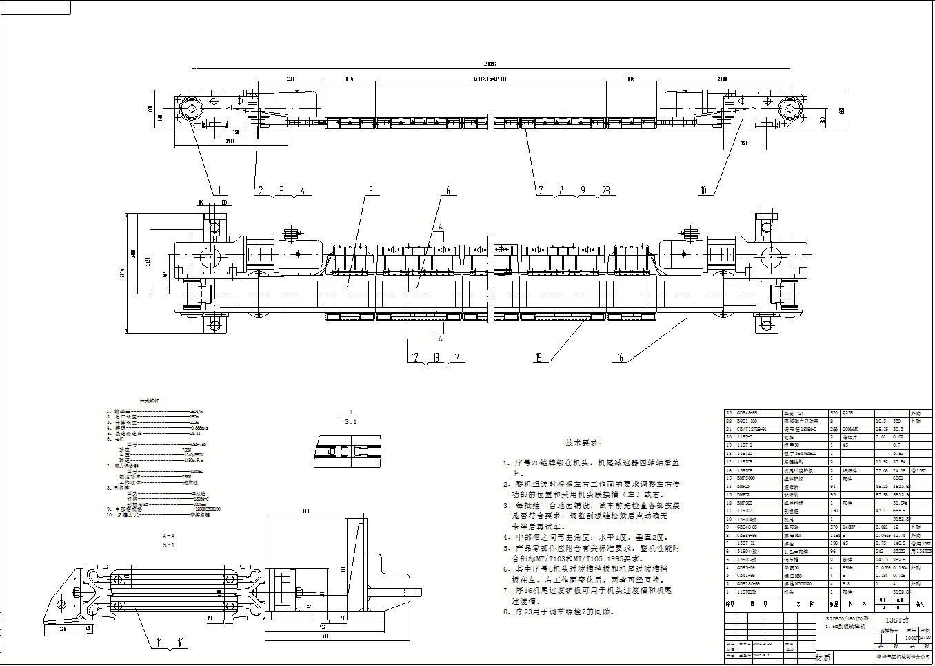
埋刮板輸送機圖紙:

埋刮板輸送機廠家提示:請通過正規渠道購買奧創輸送機,以保障您的合法權益!
訂購網址請登錄河南奧創機械有限公司官方網站: m.sobang.com.cn 24小時服務熱線:13 353 676 726
下一篇:硫鐵礦粉埋式刮板輸送機上一篇:油脂水平刮板輸送機


